Portfolio
About
Works
Artworks
Architecture
Contact
Wall Amount
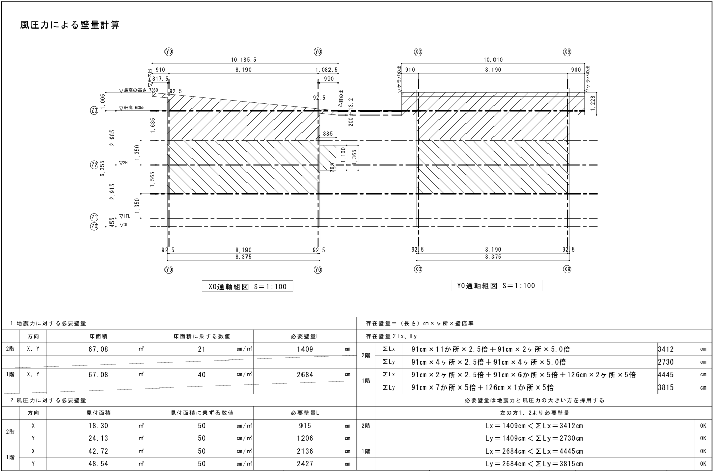
壁量
概要
自身で設計した2階建て木造住宅の必要壁量と存在壁量
縮尺
1/100
使用ツール
Jw_cad 10.01
制作時間
5時間
PDFのダウンロードはこちら↓
ダウンロード